Basic Flexible Disc Coupling
1.The key point of KUDOSWORLD Basic Flexible Disc Coupling design is the laminated straight sided flex pack, an assembly of thin stainless steel elements.
2.KUDOSWORLD Basic Flexible Disc Coupling Lubricating oil is not required because the disc coupling has no sliding, friction or moving parts. Therefore, no friction or noise, low energy loss, no need to deal with dirty oil.
3.Higher torsion and on backlash. For the equipment such as machine tools with numercial controllers, indexing systems, and printing machines requiring accruate shaft rotation and phase control
- Information
- Video
- Download
Type of disc pack of KUDOSWORLD disc coupling
According to the number of holes on the disc pack, i.e. the number of bolts, the KUDOSWORLD disc coupling is divided into A-4 hole type, E-6 hole type, G-8 hole type, etc.



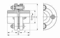
Basic Flexible Disc Coupling——A3 TYPE



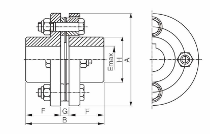
Basic Flexible Disc Coupling——E 4 and G 4 TYPE



Design type of taper connection

Company Style
Over the past decades, we have made contributions to the development and implementation of hundreds of projects where product quality, technological progressiveness and reliability are the prerequisites for success. From finding the best customer solution to complex project delivery, customer trust proves our experience, reliability and professionalism.
